NORDBERG N502G — гидравлический двухштоковый домкрат (канавный подъемник). Применяется на СТО, в автосервисах и шиномонтажных мастерских.
Функционал
Предназначен для вывешивания передних или задних мостов грузовых автомобилей, автобусов, тракторов, строительной и сельскохозяйственной техники над смотровой канавой или подъёмником.
Преимущества
- Грузоподъёмность 20 тонн — подходит для тяжёлых легковых и коммерческих автомобилей;
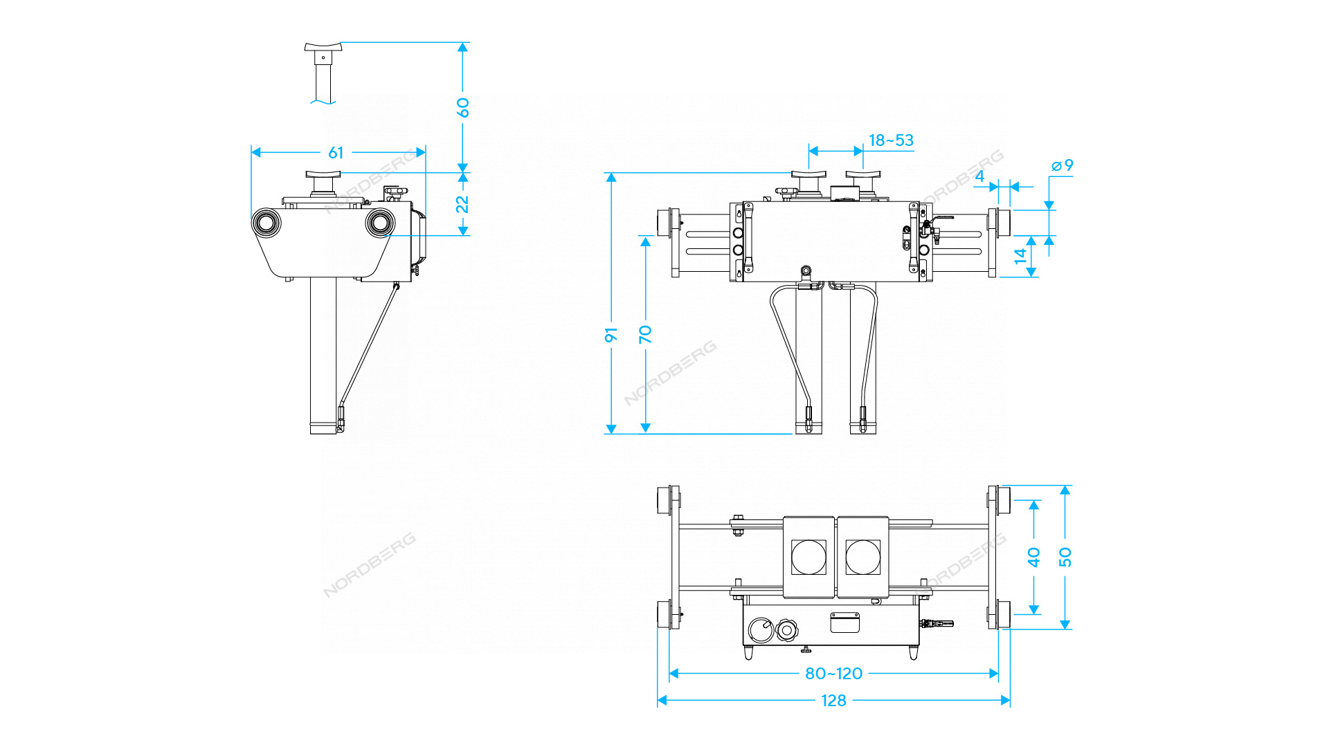
- Максимальная высота подъёма — 600 мм — обеспечивает удобный доступ к узлам снизу;
- Совместимость со смотровыми ямами шириной 800–1200 мм — универсальность установки;
- Минимальная глубина ямы — 800 мм — подходит для большинства стандартных конструкций;
- Рабочее давление воздуха — 8–10 бар — оптимально для надёжной работы подъёмного механизма;
- Расход воздуха — 283 л/мин — эффективная работа с большинством пневмосистем;
- Двухштоковая конструкция — плавный и надёжный подъём без рывков;
- Смотровое окошко для контроля уровня конденсата — удобный визуальный контроль без демонтажа элементов.
Удобство использования
- Низкий профиль — позволяет использовать под автомобилями с малым дорожным просветом;
- Удобная ручка управления — простота в использовании;
- Резиновая накладка на опорной чашке — защита кузова при подъёме;
- Лёгкое перемещение — благодаря колёсам и эргономичной рукоятке;
- Прочная стальная рама — высокая надёжность в условиях постоянной нагрузки.
Технические характеристики
Грузоподъемность макс., т20
Макс. высота подъема, см
60
Высота от ролика до насадки, см
22.1
Мин. длина платформы, см
80
Макс. длина платформы, см
120
Ширина платформы, см
55.5
Мин. колея траверсы, см
88.2
Макс. колея траверсы, см
128.2
Привод насоса
пневматический
Среднее потребление воздуха, л/мин
283
Гидравлический ход штока, мм
600
NORDBERG N502G — надёжный и удобный гидравлический домкрат для профессионального автосервиса.
Для покупки товара в нашем интернет-магазине выберите понравившийся товар и добавьте его в корзину. Далее перейдите в Корзину и нажмите на «Оформить заказ» или «Купить в 1 клик».
Когда оформляете быстрый заказ, напишите ФИО, телефон и e-mail. Вам перезвонит менеджер и уточнит условия заказа.
Оформление заказа в стандартном режиме выглядит следующим образом. Заполняете полностью форму по последовательным этапам: адрес, способ доставки, оплаты, данные о себе. Советуем в комментарии к заказу написать информацию, которая поможет курьеру вас найти. Нажмите кнопку «Оформить заказ».
- Наличный расчет
- Оплата банковской картой через терминал
- Оплата банковской картой онлайн
- Оплата картами рассрочки
- Оплата бонусными картами
- Оплата через систему «Расчет» (ЕРИП)
- Безналичный расчет (только для юридических лиц и ИП)
- Самовывоз в Минске
- Доставка курьером по Минску (+5 км от МКАД)
- Доставка по Беларуси до почтового отделения во все населенные пункты
- Доставка по Беларуси до почтового отделения во все населенные пункты (наложенный платеж Белпочта)
- Экспресс-доставка по Беларуси до вашей двери во все населенные пункты (EMS Белпочта)
- Доставка службой DPD (Беларусь, Россия, Казахстан, Армения, Кыргызстан)
