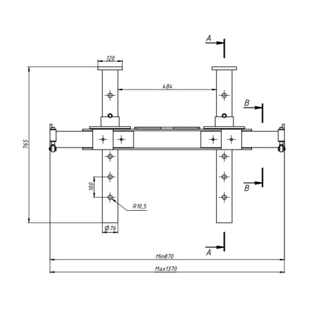
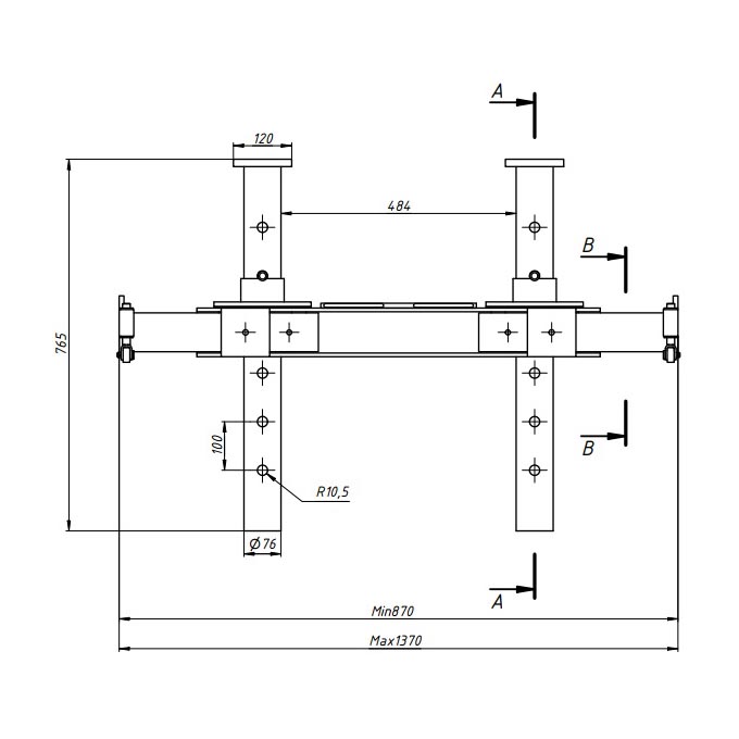
Опорная система для вывешивания передних осей грузового автомобиля 180 мм Гамматест GTM5012.
Единственным безопасным методом вывешивания автомобиля для работы на нем является использование опорных систем. Как только автомобиль безопасно вывешен на опорной системе, канавный подъемник становится свободным для других задач.
Особенности данной опорной системы:
Универсальность:
Благодаря полному открытию внутреннего пространства внутри этой системы подъемник может быть полностью сдвинут в одну сторону.
Наши опорные системы производятся специально для существующих конструкций канав. Максимальная высота системы составляет 180 мм, поэтому она полностью убирается в конструкции канавы.
Высоко расположенные части автомобиля, например, рама, могут быть вывешены при помощи опорной системы и комплекта удлинителей.
Грузоподъемность систем - до 14 т. Она может применяться в различных рабочих канавах.
Эргономичность:
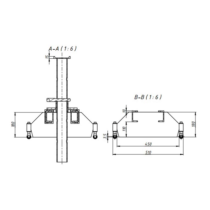
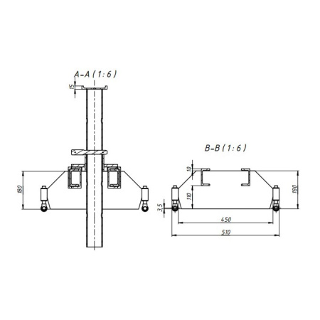
Конструкция очень легкая, поэтому ее просто передвигать по канаве.
Преимущества опорной системы Гамматест GTM5012:
Оснащена дополнительными подпружиненными колесами для удобства перемещения. При нагрузке подъемник садится на раму.
Внимание: Удлинители опорной системы могут применяться только максимум по две штуки одновременно!
Страна происхождения - Беларусь.
Для покупки товара в нашем интернет-магазине выберите понравившийся товар и добавьте его в корзину. Далее перейдите в Корзину и нажмите на «Оформить заказ» или «Купить в 1 клик».
Когда оформляете быстрый заказ, напишите ФИО, телефон и e-mail. Вам перезвонит менеджер и уточнит условия заказа.
Оформление заказа в стандартном режиме выглядит следующим образом. Заполняете полностью форму по последовательным этапам: адрес, способ доставки, оплаты, данные о себе. Советуем в комментарии к заказу написать информацию, которая поможет курьеру вас найти. Нажмите кнопку «Оформить заказ».
- Наличный расчет
- Оплата банковской картой через терминал
- Оплата банковской картой онлайн
- Оплата картами рассрочки
- Оплата бонусными картами
- Оплата через систему «Расчет» (ЕРИП)
- Безналичный расчет (только для юридических лиц и ИП)
- Самовывоз в Минске
- Доставка курьером по Минску (+5 км от МКАД)
- Доставка по Беларуси до почтового отделения во все населенные пункты
- Доставка по Беларуси до почтового отделения во все населенные пункты (наложенный платеж Белпочта)
- Экспресс-доставка по Беларуси до вашей двери во все населенные пункты (EMS Белпочта)
- Доставка службой DPD (Беларусь, Россия, Казахстан, Армения, Кыргызстан)
